Графитовая изложница в Алтайском крае
В Алтайском крае
найдено 3
объявления,
и
ещё 3 объявления
в ближайших городах.
16 августа
в 10:44
584-90-82 Манжета (графитовая )
1 600 ₽
всего
г. Барнаул, проезд Базовый, 7, А
Опт
Наличный расчет, Безналичный расчет, Предоплата
Самовывоз, Доставка транспортной компанией
ООО «ТехноДизель» имеет большой опыт работы на рынке дизельной промышленности, что позволяет в короткие...
23 января
в 01:55
Шайба 311-13-55 графитовая
450 ₽
656023, Россия, Алтайский край г. Барнаул, ул. Г-Титова 56А
Шайба уплотнительная графитовая 311-13-55 насоса водяного СБ511-00-55/СБ1211-00-55 (внутреннего контура) устанавливается на дизели серии Д6/Д12. Система охлаждения предназначена для принудительного...
23 января
в 01:55
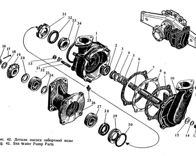
Манжета 584-90-82 графитовая насоса НЗВ
500 ₽
656023, Россия, Алтайский край г. Барнаул, ул. Г-Титова 56А
Манжета 584-90-82 графитовая входит в сборочную единицу насоса забортной воды СБ584-01-25 для дизелей 3Д6/3Д12, 7Д6/7Д12 предназначен для прокачки холодной (забортной) воды во внешнем контуре системы...
Так же найдено в России
Графитовая изложница в вашем городе: