Шайба 311-13-55 графитовая

Фото №0 Шайба 311-13-55 графитовая
Фото №1 Шайба 311-13-55 графитовая
Фото №2 Шайба 311-13-55 графитовая
Фото №3 Шайба 311-13-55 графитовая
Фото №4 Шайба 311-13-55 графитовая
в наличии
Цена:
23 января
24
450 ₽
  • Сибтехком

    Барнаул, на сайте с 17 июля 2018

  • Доставка, самовывоз:

    Барнаул

  • Адрес компании:

    656023, Россия, Алтайский край г. Барнаул, ул. Г-Титова 56А

  • Контакты:

Цены в категории:

120 — 270 000 ₽
Пожаловаться

Описание

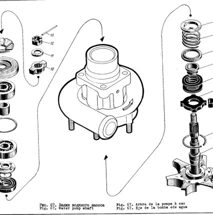
Шайба уплотнительная графитовая 311-13-55 насоса водяного СБ511-00-55/СБ1211-00-55 (внутреннего контура) устанавливается на дизели серии Д6/Д12. Система охлаждения предназначена для принудительного отвода тепла от деталей дизеля, соприкасающихся с горячими газами. Схема системы охлаждения является двухконтурной. Контур пресной воды - замкнутый, а контур забортной воды - разомкнутый. Насос пресной воды под давлением подает охлаждающую воду в нижнюю часть рубашки охлаждения цилиндров через фланец. Омывая и охлаждая гильзы цилиндров, вода через перепускные трубки поступает в полости охлаждения головки блока. Из головки блока вода подается в полости охлаждения выпускного коллектора, а затем отводится от дизеля. В зависимости от температуры охлаждающая вода после дизеля направляется термостатом либо через охладитель и помимо него, либо только через охладитель воды. В охладителе воды пресная вода замкнутого контура охлаждается забортной водой. После охладителя пресная вода поступает в охладитель масла, где охлаждает отводимое от дизеля горячее масло, а затем вода вновь поступает к насосу пресной воды. С помощью трубки из контура пресной воды в расширительный бак отводятся пары воды и воздух, попавший в трубопроводы. Расширительный бак предназначен для компенсации изменяющегося объема охлаждающей воды при изменении ее температуры и при незначительных утечках. С помощью контрольного крана проверяется полнота заполнения контура пресной воды.Насос из-за борта через фильтр подает забортную воду к охладителю для охлаждения пресной воды. После охладителя забортная вода через трехходовой кран отводится за борт

  • Марка авто:другая
  • Вид:насос охлаждающей жидкости (помпа)
  • Модель авто:1
  • Серия авто:10
  • Тип по изготовителю:оригинал
  • Состояние:новый
  • Материал:графит
  • Мощность:8,4 м3/ч
  • Гарантийный срок:12 мес.
  • Тип техники:Спецтехника
  • Конструкция:Крыльчатого типа
  • Тип комплектующего:Система охлаждения
  • Применяемость:Д6/Д12
  • Контур:Пресный
  • Схема охлаждения:замкнутого типа

Оплата

Уточните условия по оплате у поставщика, но обычно возможны:

  • Оплата по счету
  • Наличные
  • Карты: Visa, Mastercard, Мир
  • Наложенный платеж

Доставка

Доставка в г. Барнаул, самовывоз 656023, Россия, Алтайский край г. Барнаул, ул. Г-Титова 56А

Гарантия

Команда Проминдекс размещает объявления поставщиков и продавцов после тщательной проверки, однако это не гарантирует безопасной сделки между вами и продавцом. Перед принятием решения о покупке проверьте юридические данные компании и отзывы о ней на странице отзывов и в интернете.

Отзывы

Пока нет отзывов.