Емкость ЭВЛ (V) 1000 с лопастной мешалкой

Фото №0 Емкость ЭВЛ (V) 1000 с лопастной мешалкой
Фото №1 Емкость ЭВЛ (V) 1000 с лопастной мешалкой
под заказ
Цену уточняйте
20 августа
138

Цены в категории:

900 — 66 800 ₽
Пожаловаться

Описание

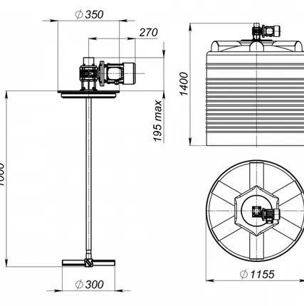
Емкость ЭВЛ (V) 1000 на 1000 литров с лопастной мешалкой.
Мешалки предназначены для перемешивания «жидкость- жидкость» с максимальной плотностью 1,3 г/см. Данный тип мешалок тихоходный. Конструкция миксера включает в себя четырехлопастной пропеллер, вал, привод, жесткое крепление мешалки к валу привода, крышку- крепление всей конструкции, для установки на саму емкость. Вал, пропеллер, крышка изготовлены из композитного материала, основой которого является полиэфирная или эпоксидная смола. Благодаря этому, он обладает отличной устойчивостью к химически агрессивным жидкостям и средам. Прочность материала сопоставима со свойствами основных металлических сплавов. Поэтому данный вид миксера являются отличной альтернативой металлическим мешалкам, изготовленным из специальных сплавов, и могут эффективно применяться в производственных процессах с применением химикатов.

Характеристики миксера:
Напряжение В 380
Мощность двигателя, кВт 0,25
Частота вращения вала, об/мин 93
Длина вала, мм 1000
Диаметр рабочего колеса, мм 300
Вес, кг 14,1
Дополнительно: возможна установка более мощного мотор-редуктора под плотность 1,5 г/см. куб.
Сферы применения емкостей с мешалками:
в химической промышленности для приготовления и поддержания консистенции различных агрессивных растворов;
в водоподготовке и водоочистке для приготовления растворов коагулянтов и флокулянтов;
при обработке питьевой воды для стерилизации, фильтрации, контроля запаха и привкуса;
в системах водоснабжения и канализации для приготовления рабочих растворов и реагентов с целью обработки сточных вод;
в составе реагентных блоков периодического действия для приготовления и дозирования растворов реагентов на очистных сооружениях предприятий пищевой промышленности, нефтеперерабатывающей отрасли и прочих производственных стоков;
при производстве цемента: мешалки устанавливают на бетоносмесительном узле для приготовления гомогенной смеси и ее добавки в бетон;
при производстве бумаги для приготовления диоксида титана с целью контроля матовости тонкой бумаги, приготовления каолиновой смеси.
Дополнительно: Возможно установка более мощного мотор-редуктора, под плотность перемещиваемой жидкости до 1,5 кг/ см.куб.
Преимущества тихоходных лопастных мешалок:
- Надежная простая конструкция, герметичность при отсутствии уплотнений.
- Малый вес.за счет использования композитным материалов.
- Хорошая химическая стойкость, цельнолитая конструкция пропеллера (отсутствие сварных швов).

Источник: https://tula-plastik.ru/p/578339261-emkost-evl-v-1000-s-lopastnoy-meshalkoy/

Оплата

Уточните условия по оплате у поставщика, но обычно возможны:

  • Оплата по счету
  • Наличные
  • Карты: Visa, Mastercard, Мир
  • Наложенный платеж

Доставка

Доставка в г. Тула, самовывоз Иншинский проезд, д3

Гарантия

Команда Проминдекс размещает объявления поставщиков и продавцов после тщательной проверки, однако это не гарантирует безопасной сделки между вами и продавцом. Перед принятием решения о покупке проверьте юридические данные компании и отзывы о ней на странице отзывов и в интернете.

Отзывы

Пока нет отзывов.

Вы смотрели