Железобетонные плиты П10.5
-
ПП Комплект Строй
Киров, на сайте с 15 августа 2017
-
-
Адрес компании:
г. Киров, ул. Северное Кольцо, 54
-
Контакты:
Цены в категории:
138 — 34 390 ₽Описание
Опт / РозницаНаличный расчет, Безналичный расчет
Самовывоз, Доставка транспортной компанией
Назначение: каналов;
Страна-производитель: Россия;
Материал: железобетонные;
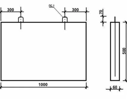
Железобетонные лотки убк-1а и убк-2а к ним плита перекрытия П10.5.
УБК5 представляет собой железобетонную плиту, предназначенный перекрытия лотков для укладки кабеля. Размеры их составляют: 1000х500х60 мм, вес – 75 кг.
Производим и реализуем железобетонные изделия для энергетического строительства:
Приставки для деревянных опор ВЛ 0,38-35 кВ ПТ 33-2, ПТ 33-4, ПТ 43-2, ПТ 45, ПТ 60.
Стойки опор УСО 1а, УСО 2а, УСО 3а, УСО 4а, УСО 5а, СВ 90-3,5, СВ 95-2а, СВ 110-3,5.
Плиты НСП-1, НСП-3, НСП 35.10, НСП 35.15, ПН 2-1.
Ригель Р1а, АР 5, АР 6, АР 7.
Лежни ЛЖ 1.6, ЛЖ 2.8, ЛЖ 4.4, ЛЖ 6.0, ЛЖ 8.4.
Лотки УБК 1а, УБК 2а.
Плиты УБК 5, УБК 9а.
Бруски БК 11а, БК 12а.
Составные фундаменты для опор ЛЭП 35-500 кВ: Ф 21.6-А, Ф1.52.2-2, Ф 22.3-А, Ф 23.0-А, Ф22.1-2, Ф 2-3.6-А, Ф 22.8-2, Ф 22.8-4, Ф 23.5-4, Ф2,73,5-А, Ф2,74,5-А, ФП2,72,7-А, ФП2,74,2-А.
Железобетон впервые, как самостоятельный строительный материал, возник во второй половине девятнадцатого века. В 1867 году авторский патент на изобретение железобетона получил французский учёный Ж. Монье. На сегодняшний день железобетон является одним из основных материалов, используемых в строительстве.
В целом все железобетонные конструкции в зависимости от способа изготовления можно разделить на две группы: монолитные и сборные.
Особенностью монолитных железобетонных конструкций является то, что они возводятся непосредственно на том месте, где, по проекту, они должны быть использованы. Такой процесс сопряжён с большими трудовыми затратами, а также требует большое количество материалов для изготовления опалубки, подмостей и т.д.
Что касается сборных железобетонных конструкций, то во многих случаях они являются более экономичными, чем монолитные. Это объясняется тем, что их изготовляют на специализированных предприятиях и полигонах, на которых рационально используют высокомеханизированные технологические процессы производства.
Оплата
Уточните условия по оплате у поставщика, но обычно возможны:
- Оплата по счету
- Наличные
- Карты: Visa, Mastercard, Мир
- Наложенный платеж
Доставка
Доставка в г. Киров, самовывоз г. Киров, ул. Северное Кольцо, 54
Гарантия
Команда Проминдекс размещает объявления поставщиков и продавцов после тщательной проверки, однако это не гарантирует безопасной сделки между вами и продавцом. Перед принятием решения о покупке проверьте юридические данные компании и отзывы о ней на странице отзывов и в интернете.
Отзывы
Также ищут
- производство железобетонных изделий
- этилхлорид 99 8
- элемент укрепления откосов дорог
- опалубка для железобетонных изделий
- вывоз железобетонных изделий
- краноблок убк
- проектирование железобетонной конструкции
- оборудование для производства железобетонных изделий
- монтаж железобетонных конструкций
- изделия из древесины