Блок СЭВ 6,0кВт

в наличии
Цена:
15 августа
163
690 ₽
  • Равиком-М

    Миасс, на сайте с 15 августа 2017

  • Доставка, самовывоз:

    Миасс

  • Адрес компании:

    г. Миасс, ш. Тургоякское, 13, Г

  • Контакты:

Цены в категории:

650 — 6 850 ₽
Пожаловаться

Описание

Опт / Розница
Наличный расчет, Безналичный расчет
Самовывоз, Доставка транспортной компанией
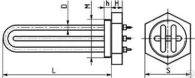
Блоки ТЭН (ТЭНБ) применяются в основном для нагрева жидкостей и масла и используются в водонагревателях, парогенераторах, котлах и в других промышленных и бытовых установках.

Конструкция ТЭНБ представляет собой один или несколько двухконцевых трубчатых электронагревателей герметично закрепленных на общем фланце.
В зависимости от рабочего давления в установках ТЭНы крепятся к фланцу с помощью пайки или опрессовки.

Фланцы изготавливаются из различных материалов (углеродистая сталь, нержавеющая сталь, латунь…) и могут крепиться в комплектуемых установках различными способами ( резьба, шпильки, болты, прижимные пластины…) .


L - посадочный размер блока
D - диаметр ТЭНа
М - размер резьбы фланца
h - длина резьбы фланца
H - толщина фланца
S - размер шестигранника
Пример условного обозначения ТЭНБ:



Возможно изготовление блоков ТЭН,в состав которых входят электронагреватели различной длины и различной мощности. В этом случае в условном обозначении марки и количество ТЭН, входящих в состав блока указываются через запятую.
В блоки могут собираться также ТЭНы патронного типа и оребренные ТЭНы.

Часто в блоках ТЭН предусматриваются посадочные места для датчиков температуры и иных устройств.

Характеристика ТЭНБ-3 (СЭВ-3) ТЭНБ-6 (СЭВ-6) ТЭНБ-9 (СЭВ-9) ТЭНБ-12 (СЭВ-12) ТЭНБ-3Z (СЭМ-3)
Мощность кВт. 3.0 6.0 9.45 12.75 3.0
Напряжение В. 220/380 220/380 220/380 220/380 220/380
Среда вода вода вода вода масло

Оплата

Уточните условия по оплате у поставщика, но обычно возможны:

  • Оплата по счету
  • Наличные
  • Карты: Visa, Mastercard, Мир
  • Наложенный платеж

Доставка

Доставка в г. Миасс, самовывоз г. Миасс, ш. Тургоякское, 13, Г

Гарантия

Команда Проминдекс размещает объявления поставщиков и продавцов после тщательной проверки, однако это не гарантирует безопасной сделки между вами и продавцом. Перед принятием решения о покупке проверьте юридические данные компании и отзывы о ней на странице отзывов и в интернете.

Отзывы

Пока нет отзывов.